Notifier
Primary Model(1) :
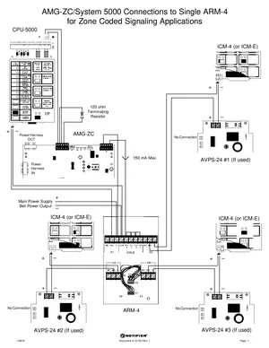
AMG-ZC
Wiring Diagram for the Notifier AMG-ZC, published in 1991. Document No: 15159, Rev: 1. 7 models including AMG-ZC, System 5000, ARM-4 and 4 additional variants. System schematics, pinout configurations, and connection details.