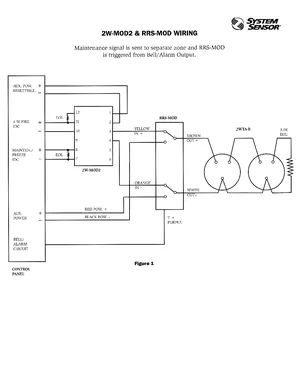
Wiring Diagram for the System Sensor 2W-MOD2 and RRS-MOD. Models 2W-MOD2, RRS-MOD and 2WTA-B. Field wiring diagrams, circuit topology, and cable specifications.